Finding your part
- Please use the parts diagrams provided below to determine the part(s) you need. Then use our search box above to find the part(s) on our website.
Note: These parts diagrams are provided by the manufacturers. We list them on our site for informational purposes only. We do not stock every single part listed nor can we guarantee that every part is available to order. - If uncertain, please go to the equipment model or part product page. Then use the Q&A tab found on that web page to ask your question.
- Lastly, and only if the first 2 options were exhausted, please use our parts inquiry page.
- Our call center does not have the training to handle parts inquiries for over 60,000 different parts items. Asking any questions regarding parts will more than likely result in you being referred to the above steps.
- Please note also that all parts purchases are non-returnable or refundable and do not include technical support, instructions, or warranties as the purchase price of any part does not cover the cost of technical support. Technical support is available for repairing equipment in our shop.
- Sorry, we will only special order a part for a model we carry AND was purchased through our supply chain.
- Since we are unaware of the mechanical, electrical, and/or plumbing expertise of a parts buyer or the tools owned by a parts buyer, we are never able to advise if a self-repair can be performed.
Diagram
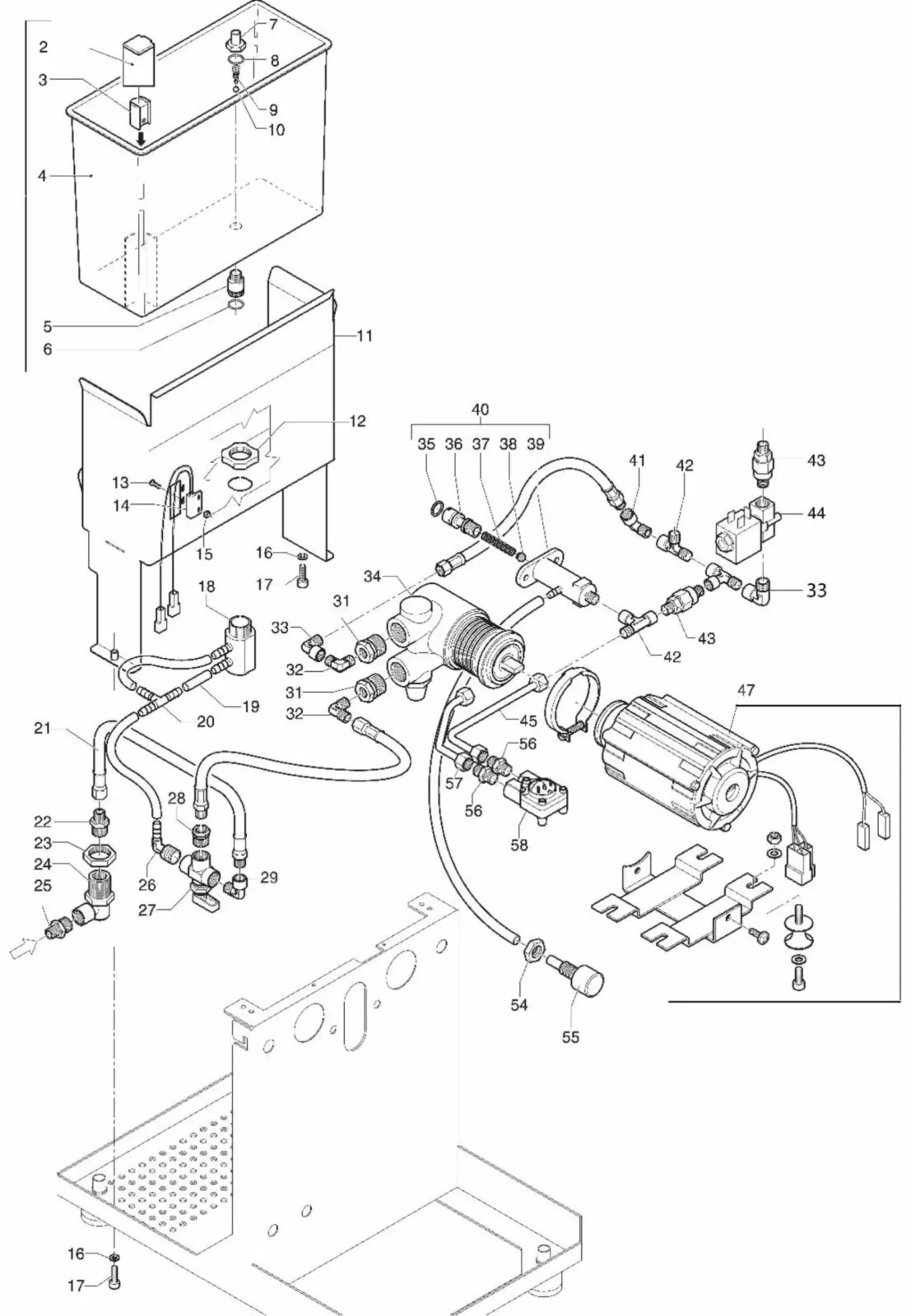
TABLE 2
| # | SKU |
| 1 | P6014.K |
| 2 | P6016 |
| 3 | P6021 |
| 4 | P6014.K |
| o.Abb. | P6025 |
| o.Abb. | P6020.NK |
| 5 | P6017.N |
| 6 | B7496076 |
| 7 | P6020.N |
| 8 | P6020.3 |
| 9 | P6023 |
| 10 | B5471509 |
| 11 | M3006.5 |
| 12 | P6020.K3 |
| 13 | P2021 |
| 14 | P6022 |
| 15 | P2019 |
| 16 | P2009 |
| 17 | P2006 |
| 18 | P6020.K4 |
| 19 | C499900769 |
| 20 | C400001932 |
| 21 | P8012 |
| 22 | C229900519 |
| 23 | P3023 |
| 24 | P3527 |
| 26 | P6057 |
| 27 | P3528 |
| 28 | P2030 |
| 29 | P6058 |
| 31 | P3024 |
| 32 | C229900579 |
| 33 | P9014 |
| 34 | P3025 |
| 35 | P7000.5 |
| 36 | P7000.2 |
| 37 | P7000.3 |
| 38 | P7000.4 |
| 39 | P7000.1 |
| 40 | P7000 |
| 42 | C229900644 |
| 43 | C229900548 |
| 44 | C199900275 (230V) |
| 44 | US1005 (115V) |
| 45 | P1905 |
| 47 | P3026 |
| 47 | US1016 |
| 54 | P6103 |
| 55 | C227700898 |
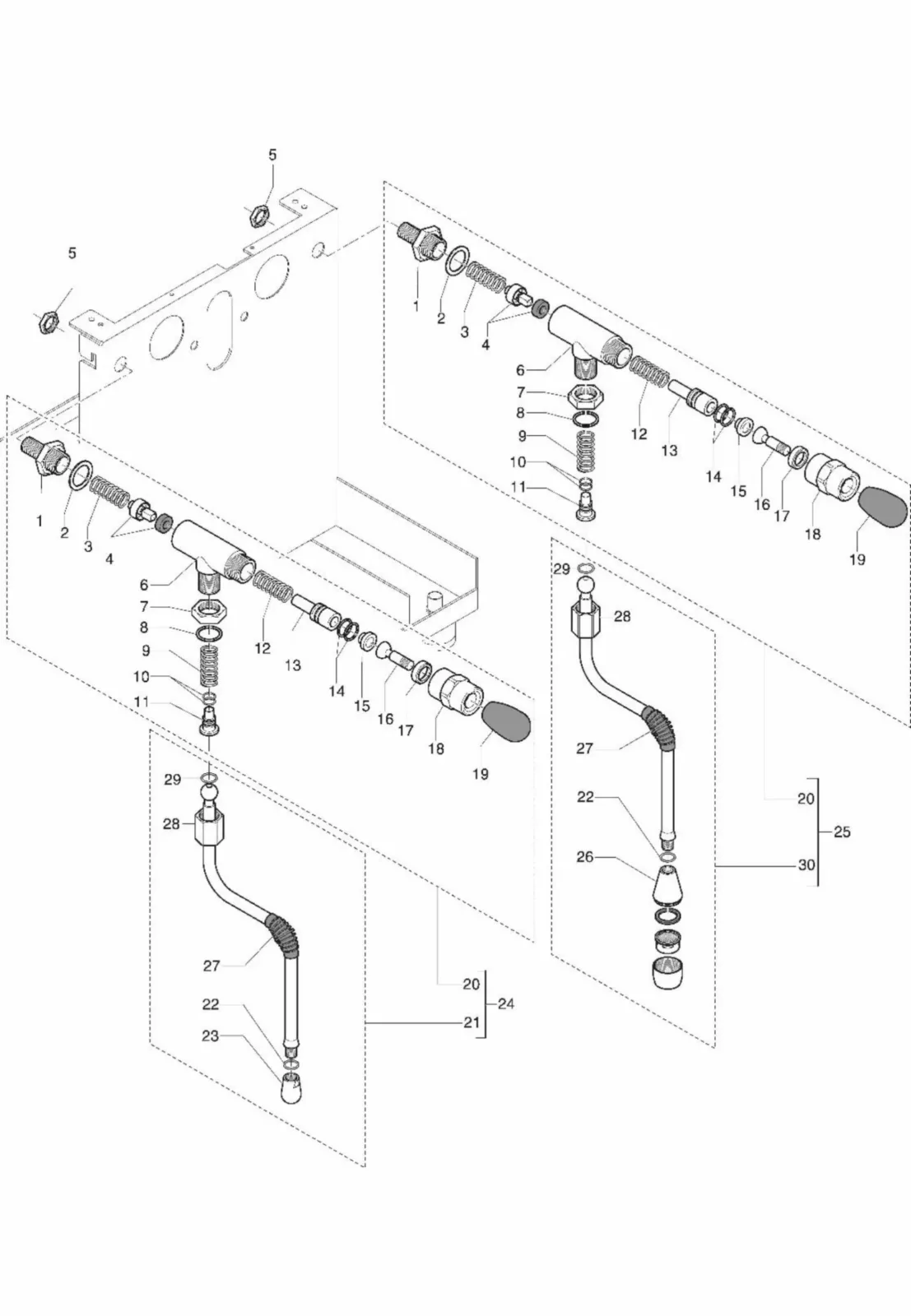
TABLE 3
| # | SKU |
| 1 | P6051 |
| 2 | C229900520 |
| 3 | P1904 |
| 4 | P2045 |
| 5 | C229900740 |
| 6 | C229900393 |
| 7 | P1901 |
| 8 | P2040 |
| 9 | P1902 |
| 10 | P1900 |
| 11 | C219900561 |
| 12 | P2049 |
| 13 | C199901550 |
| 14 | C229900559 |
| 15 | C199900839 |
| 19 | P1903 |
| 20 | C229900520 |
| 21 | C229900519 |
| 22 | B7400902 |
| 23 | C199900294 |
| 24 | C229900520 |
| 25 | C229901576 |
| 26 | P9013 |
| 27 | P7014.1 |
| 27 | US1000 |
| 28 | P2010 |
| 29 | C309900127 |
| 30 | P7014.2 |
| 31 | P6104 |
| 32 | P3003.1 |
| 33 | P2010 |
| 34 | C309900127 |
| 35 | P6102 |
| 36 | P2043 |
| 37 | B7432516 |
| 38 | B7432517 |
| 39 | P7050 |
TABLE 4
| # | SKU |
| 1 | P6003.11 |
| 2 | P6003.10 |
| 3 | P6003.7 |
| 4 | P6003.9 |
| 5 | C329900682 |
| 6 | P6003.8 |
| 7 | P6003.12 |
| 8 | P6015 |
| 9 | P6003.13 |
| 10 | P6003.15 |
| 11 | P6003.14 |
| 12 | P6003.7 |
| 13 | P6003.5 |
| 14 | P6003.6 |
| 15 | P6003.4 |
| 16 | P6003.3 |
| 17 | P6003.2 |
| 18 | P6003.1 |
| 19 | C439900840 |
| 20 | P6003 (not included 8, 9, 10, 11, 19) |
| 21 | P6002 |
| 22 | P6002.1 |
| 23 | P6002.4 (2 hole) |
| 23 | P6002.6 (4 hole) |
| 23 | P6002.3 (5 hole) |
| 24 | P6003.KD |
| 25 | P6003.KH |
| 26 | P6001.1 |
| 27 | P6002.2 |
| 28 | P6002.5 |
| 29 | C449900719 |
| 30 | P6001 |








